
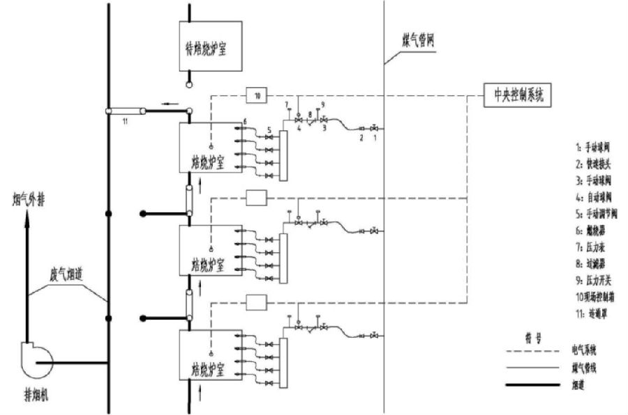
图 1 炭素环式焙烧炉燃烧系统优化技术工艺流程图
通过采集炉室温度和压力参数,自动调节煤气的用量和烟气量,对炉室温度进行精确控制,从而提高煤气、沥青烟的燃烧效率,减少热损失,实现节能减排。
关键技术
(1)采用先进的煤气燃烧器、可移动式架和烟联通罩,过集炉室温 采用先进的煤气燃烧器、可移动式架和烟联通罩,过集炉室温 采用先进的煤气燃烧器、可移动式架和烟联通罩,过集炉室温 度和系统压力参数,自动调节煤气用量烟实现对炉室温的精确控制提 度和系统压力参数,自动调节煤气用量烟实现对炉室温的精确控制提 度和系统压力参数,自动调节煤气用量烟实现对炉室温的精确控制提 度和系统压力参数,自动调节煤气用量烟实现对炉室温的精确控制提 高煤气及沥青烟的燃烧效率,提产品成。
(2)通过改变炉盖的部分结构及耐火材料,减轻了重量、提高保温和密封 通过改变炉盖的部分结构及耐火材料,减轻了重量、提高保温和密封 通过改变炉盖的部分结构及耐火材料,减轻了重量、提高保温和密封效。
适用的技术条件 | 项目用户 | 建设规模 | 投资额 (万元) | 节能量(tce/a) | 减排量(tCO2/a) | 单位节能/减排量(gce/kWh) | 投资回收期(年) |
1.煤气热值大于1200kcal /Nm3,煤气中粉尘、焦油含量小于800mg /m3(粉尘、焦油含量为合测值); 2.需蒸汽1t/h | 将一台1.32万t/a手动调温碳素焙烧炉改造为一台同产能、自动精确调温,节能型碳素一次焙烧炉 | 500 | 1950 | 焙烧品单位产品能耗下降30%以上 |
| 发改委气候司谢极谈碳市场:服务于减碳 而… | |
| 紧跟政策引领,把握林业碳汇产业发展机遇 | |
| 【绿石碳视野】企业碳管理案例分析(七) | |
| 【绿石碳视野】企业碳管理案例分析(五) | |
| 【绿石碳视野】企业碳管理案例分析(三) | |
| 【绿石碳视野】企业碳管理案例分析(二) |
![]() |
上海碳交易履约工作顺利完成 |
| 为进一步加强碳排放控制与管理,上海市在试… |
![]() |
福建碳市场首个履约期将于6月30… |
| 记者从省发改委了解到,福建省碳市场自去年1… |
![]() |
广东碳排放配额履约工作顺利完成… |
| 根据《广东省碳排放管理试行办法》(广东省… |
![]() |
发改委气候司谢极谈碳市场:服务… |
| “第八届地坛论坛”在北京举行。国家发展和… |
![]() |
美加州州长力挺《巴黎协定》 已… |
| 美国总统特朗普6月1日宣布退出《巴黎协定》… |
![]() |
广东:珠三角3年内建成国家森林… |
| 森林城市群建设时间表出台 参与《规划》制定… |